礦用瞬變電磁儀反演解析軟件
礦用瞬變電磁儀反演解析軟件是華虹公司為深入解析YCS256、YCS512儀器采集的數據而研發的軟件系統。方便地完成數據的處理、解析過程,實現對地質體的含水性進行較為準確的預測預報。
主要功能:
1) 數據處理:
? 數據讀取:包括單個文件或多個文件的讀取,以及數據的添加。
? 數據修改:包括測線數據的修改、參數的修改、數據校正、系數修改等。
? 數據計算:包括視電阻率計算、深度的計算、及克里格計算等。
? 數據保存:包括一些解析數據、圖片等另存為操作。
? 數據管理:負責圖形解析時所需數據的管理調用,如數據導出、數據還原。
2) 數據解析:
? 圖形解析:包括時間電壓曲線、視電阻率曲線的解析操作。
? 文本解析:包括電壓值、離差值、視電阻率值的查看操作。
? 剖面解析:包括測點電壓圖、點化圖、等值線圖的解析操作。
? 三維解析:主要為三維聯合反演的解析操作。
3) 其他:包括風格設置、窗口設置、幫助信息等。
適用范圍:
●巷道迎頭富水異常超前探測
●工作面頂底板富水異常區 探測
●巷道頂底板富水區異常探測
●溶洞富水性探測
●采空區富水性探測
●導水通道探測
●防治水的注漿效果評價
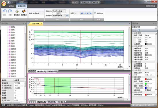
軟件截圖:
圖1:軟件整體界面

圖2:等值線圖

圖3:三維聯合反演成圖
